您的位置:首頁 > 產品中心 > 微型齒輪泵 > IGR耐磨磁力齒輪泵 > 0.07

所屬類別:IGR耐磨磁力齒輪泵
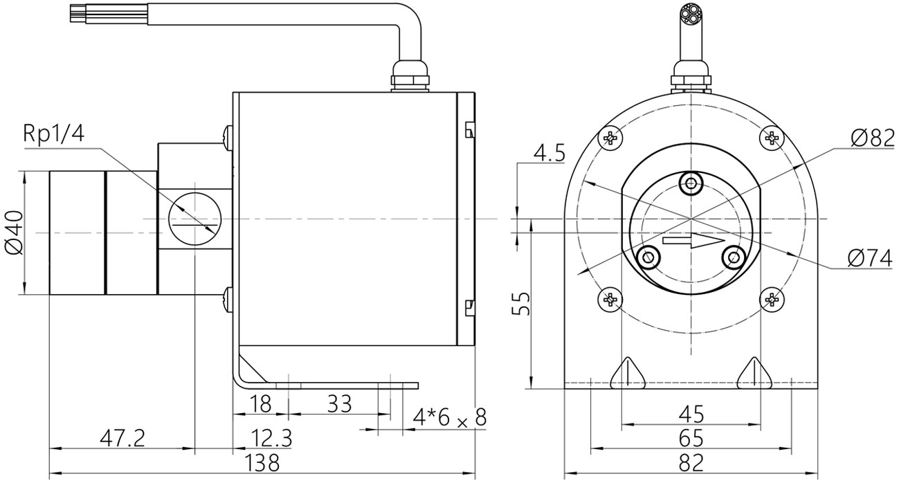
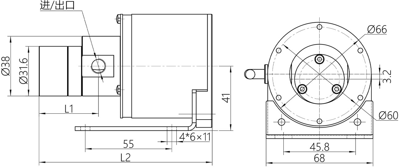
型 號:IGR
流量范圍:0.021-5.04L/min
耐 壓:-
泵體材質采用食品級316L涂層DLC,齒輪材質為鎢鋼,軸套材質為改性高強度PEEK,耐磨微型齒輪泵在研磨性液體(如:噴碼機白墨,噴墨機陶瓷墨水或含有納米級硬質顆粒的液體)應用方面可以提供出色的泵送性能和更長的使用壽命。
無泄漏;低噪音;使用壽命長;耐腐蝕;出口壓力穩定;無脈動;結構簡單;維護方便;泵頭與電機采用一體式設計,體積小,適合安裝在空間有限的箱體。
航天航空器、化學化工行業(如試劑、藥劑、膠片制造、制藥設備等)、各類激光設備儀器的微型冷卻裝置,噴繪及噴碼機制造、高性能彩色印刷設備、充電樁液冷系統、分子蒸餾設備、甲醇制氫設備、尾氣處理系統等。
泵的安裝
泵的安裝位置應盡可能的接近介質源容器。出入口管線直徑尺寸不能小于泵接口尺寸,應盡量縮短長度。如因布局及安裝現場空間限制等原因需加長入口管線,應加大入口管徑并盡可能減少泵入口的閥門及彎管數量。
管道安裝
管路安裝時:1.與泵體進出口盡量對齊,有條件可于適當位置增加管道支撐;2.避免管道的偏心扭矩和重量直接作用在泵上,否則有可能影響泵體的密封,長期受外力影響易導致泵體損壞漏液。
安裝示意

過濾器
泵的入口應安裝25um 或精度更高的過濾器(建議 400 目或以上精度),如泵體工作于一個閉路循環系統中,也可以將過濾器安裝在泵的出口。過濾器標稱流量建議大于泵最大流量1.5倍以保證介質的過流面積,減少過濾器對管道的流動阻力的影響。
使用壓力
建議在泵所能承受的壓力范圍下使用。1.系統壓力過大會影響泵體的密封效果;2.進出口壓差過大會導致磁性聯軸器內外磁發生滑移。使用過程中壓力波動過大也容易導致磁性聯軸器產生滑移現象。
自吸
齒輪泵具有較強的自吸功能,但在啟動前確認齒輪被泵送的介質潤濕過。
干轉/反轉
長時間的超速干轉會導致泵的永久損壞,請確認泵在運轉時泵腔內有介質或至少被潤濕過。泵應該順時針旋轉。短時間的反轉是可以接受的,但長時間連續的反轉會縮短泵的壽命。
